Helpful Hints - Peninsular Configurator

Model MH and Model LM NFPA Pneumatic Cylinders

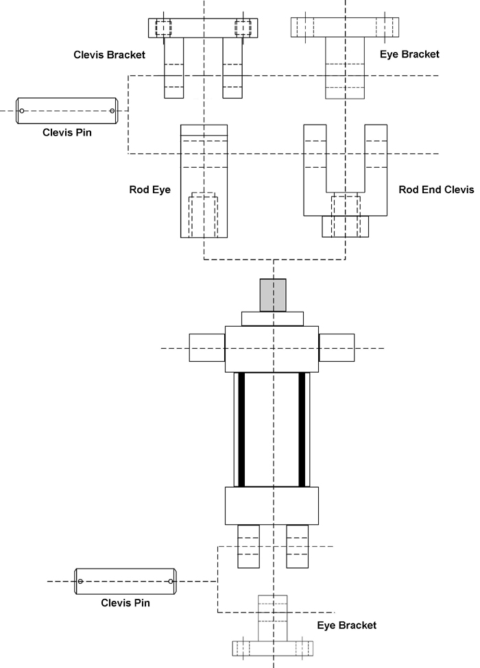
"NFPA Air Cylinder Accessories"

 

Cylinder Accessory Part Numbers, Pin Diameters & Thread Dimensions

 

 

 

 

 

 

 

 

 

 

 

 

 

 

 

 

 

 

 

 

 

 

 

 

 

 

 

 

 

 

 

 

 

 

 

Toll Free: 800-526-7968   Phone: (586) 775-7211   Fax: (586) 775-4545
© Copyright 2007 Peninsular Cylinder Co. All Rights Reserved